在评估跨境物流服务商时,两个关键考量因素分别是渠道的稳定性和时效性,以及客户的应收账款管理。
渠道稳定性与时效性直接关系到货物能否按时、安全地抵达目的地,这对于维护客户满意度及供应链的高效运转至关重要。
有效的应收账款管理则是衡量物流公司财务健康状况和服务质量的重要指标之一,它不仅反映了公司对于资金流的有效控制能力,也间接体现了其对客户需求响应速度和服务水平的关注程度。
一、物流需求演变
跨境美线市场主流物流渠道的演变推进过程为:邮政小包一四大快递一派专线-海派专线、整柜直送、海卡一快船海卡、专线小包一极致快线海、空卡、海运小包、海外仓大货中转、海外仓一件代发。
二、跨境物流服务概览
国际小包服务:适用于轻小型商品的跨国配送,提供经济高效的邮政及商业快递解决方案。
海运拼箱(LCL)与整柜(FCL)运输:为不同规模货物量身定制的海上运输选项,包括但不限于拼箱服务和整柜直送,确保成本效益最大化的同时满足客户的多样化需求。
空运拼板与包机服务:针对紧急或高价值物品提供的快速航空货运方案,支持从少量样品到大批量货物的灵活运送安排。
跨境电商订单履行服务:涵盖从接收客户订单、拣选包装至最终交付的一站式处理流程,特别适合电子商务平台及其卖家使用。
大宗货物转运中心操作:专为体积庞大或重量较重的商品设计的大宗物流解决方案,能够有效解决长途运输过程中的复杂问题。
仓储与库存管理:提供先进的存储设施以及精细化的库存控制系统,帮助企业优化供应链效率,降低运营成本。
逆向物流及废弃物处置:针对退货处理、过期产品回收等情形提供的专业服务,旨在促进资源循环利用并符合环保标准。
三、资金周转周期
资金周转周期多长才能让公司正常运作,资金运作每月成本多少,资金使用风险如何把握,开发新物流产品或新国家物流线路,需要多少资金维持正常运作。
四、产品分类
在产品策略中,我们可以将商品划分为导流产品、核心竞争力产品以及旗舰产品(Flagship Products)。导流产品通常通过设置较低的价格点来吸引顾客关注,并促使他们进入销售渠道。而旗舰产品如果具备独特卖点或显著优势,则同样可以作为吸引潜在客户的手段之一,发挥类似于导流产品的市场作用。这种分类方式有助于企业更有效地规划其产品线布局与营销策略,从而实现最大化的市场覆盖及客户转化率。
五、美国FBA海运头程
常见的FBA头程物流有海运、空运、小包、快递等。空运、小包、快递虽然时效快,但物流成本高且单票货量要求高,更适用于比较紧急的补货。海洋运输的运量大,货物运输量占全部国际货物运输量的80%以上。
航道海运四通八达,不受道路的限制,通行能力更强,可随时调整和改变航线完成运输任务。海上运输航道为天然形成,港口设施一般为政府所建,船舶运载量大,使用时间长,运输里程远,单位运输成本低,故运费低廉,且海运有固定班轮,更适合量大、稳定的货物。可根据不同的目的地选择不同的海运目的地,更能节省成本,再加上可视化的物流系统、实时更新的货物路由,海运已成为广大跨境卖家的主要物流方式。
六、供应支持
供应支持主要分为两大部分,即头程供应和目的地供应。头程供应主要是考虑稳定的海运船期、航线,一般选择截关时间相对较晚的海运供应商,还要注意留有足够的揽货时间,并要有车辆、仓库的配合。选择实力强的海运供应商,可以确保仓位保障,保持产品的收货频率。
目的地供应主要表现为目的港的提柜+派送的供应,通过沟通,确定最优的操作时效,并且双方达成共识。
七、产品跟踪观察
1.关注货量
记录货量,按周、按月作对比,货量是上涨、下跌,还是稳定,要安排专人时效跟踪;实时推进,包括货量、时效等,提高产品的曝光率,定期公布利好消息;定期数据分析,按周、按月分析原因,初步评估产品是否适应市场发展。
2.市场反应收集
收集同行对此产品的评价、服务的评价、操作的建议。
3.产品调整及优化
检视产品推出后的1~2个月内是否出现不合理的环节,做针对性的调整及优化;观察优化后的实际情况,不断地进行改善,直至产品稳定;试行3个月后,总结产品产生的效益是否跟支出成正比,从而可以决定是否继续做该产品。紧急情况下可即时停止操作。
4.产品成本优化
在产品趋向稳定的过程中,进行资源整合优化,减少异常开支,不断地寻求可优化的产品环节,将成本做到最优。
5.运营情况分析
定期对所有经营数据进行分析,可按周或按月进行分析,从各渠道货量变化、利润情况、客户占比、客户数量等方面进行分析,从而进行产品方向的调整。
6.盈利/亏损分析
以月度为周期进行分析。根据实际的运营情况分析盈利的因素有哪些。如果产生亏损,就要分析原因,并及时做出改善。
八、morelink功能详解
客户下单后,系统自动发送邮件到对应客服人员及营销人员的账号,营销、客服人员在此板块订单审核受理作废、订舱数据受理,订单排柜,维护船司航司的舱位原信息,录入货代成本,订单中转出库,应收应付的费用录入及审核,付款申请审核,发票管理凭证生成收付生成,结算销账,汇率管理,科目设置,套账设立,科目期初余额设定,银行账号管理,将每一票货物送达目的地。
海外板块的卡车系统
卡车系统是连接客户、司机的一个平台型系统。客户可在客户端下单,服务端在收到订单后对订单进行受理,然后调度派车(即在司机端派单)。司机在司机端线上接单,然后到指定地点装货,并将货物派送到目的地。

(一)客户合作

渠道确立(询价)
某物流(甲方)有美国、日本、墨西哥等国家的海运、空运、快递等20多个自营渠道,确定每一个国家每一个渠道的询价都有不同的考量要素,乙方在确定发货计划之后,向甲方的销售人员提供询价要素等内容,确定渠道及报价,甲方的销售人员会从专业的角度为乙方制订最优的物流方案。
询价要素
目的国家、收货地址、起运地、品名、海关编码、件数、体积、重量、尺寸(超规尺寸必须提供)、图片、产品性质、报关方式、时效需求、销售链接(日线产品必须提供)等。
(二)正式发货
1.下单流程
(1)登录甲方的客户端系统。
(2)点击在线下单
2.订单审核
(1)乙方下单之后,甲方销售人员、客服会收到下单提示,之后由甲方销售人员在系统中进行订单受理,确认乙方的渠道是否选择正确。
(2)甲方销售人员受理订单后,由甲方的客服进行订单二次受理,以确认乙方的订单、发票信息等是否提供齐全,并根据乙方的到仓时间安排车辆提货(若需要)。只有在经过客服的受理之后,仓库、渠道操作才能看到乙方的下单信息,才可以对乙方的订单进行发货处理。
3.货物流通
在乙方下单后,可在系统上下载当票订单的唛头和入仓单,在每一个外箱上贴上对应的订单唛头。在已经预约好的交仓时间内,自行安排车辆或者由某物流的客服安排车辆,将已贴好订单唛头的货物装箱运输至指定的某物流仓库,并把入仓单打印出来(一式两份)交给送货司机,由司机一同带到仓库。
客服接单和受理流程


订单受理
(1)客户填写完整信息,保存提交,必填信息包括:
a.业务类型(海运、空运、快递、海外仓);
b.报关方式;
c.渠道;
d.货物信息(品名、重量、箱数、体积);
e.提货地址、送货仓库、提/送货时间;
f.派送地址、FBA号;
g.发票资料。
订舱流程
客服复核订单基础资料并选取供应商,然后提交订单到应用系统。

散货订舱
1.订舱必备信息
渠道、货物信息(品名、箱数、重量、体积)、派送地址(FBA仓库或私人/商业地址)。
2.报关方式
买单或单证报关。
若是单证报关,则需检查客户是否已将单证上传系统,或以邮件方式发送给操作人员,邮件需注明单号、渠道、仓库代码。
3.特殊要求
若发票资料或单证文件后补,以及有其他特别要求(如分柜装、拼单报关等),则需在系统上注明。
整柜订舱
1.提供订舱单必填信息
客户信息(公司名、地址、电话及联系人)、船公司、柜型、渠道、货物信息(品名、箱数、重量、体积)、装柜时间、目的地清关保证金(进口商是某物流还是客人)、目的地派送地址及价格成本、报关方式(买单或单证报关)。
2.注意事项
客服收到S/0(shipping order),检查船期信息是否正确,检查S/ONa、托运人、收货人、船名航次、截关日期、截放行条时间,核实无误后发给客户。
拖车报关:拿S/O去打提柜单、还柜单。
3.回传操作
客户装好柜子后,将柜号、过磅单及补料资料提供给客服,客服回传给到操作人员。
注意:
(1)单证报关的,客户需要提前做好电子委托。
(2)装柜还码头后报关,需在截放行时间内申报并放行。
4.提单补料
AMS及ISF申报,要在截补料和截ISF时间前将资料提供到给船公司。
(1)补料信息:托运人、收货人、通知人、货描信息、货物信息(总件数、总毛重、体积)、柜号、封条号。
(2)AMS申报即美国海关反恐舱单申报。必须在装船前24小时向美国海关申报,逾期或漏申报会影响装船并会产生罚款。
(3)ISF申报(也叫“10+2”申报),即进口安全申报(importer secu-rity filing)。必须在货物装船前24小时内向美国海关申报,逾期或漏申报会产生5000美元的罚款。
(三)提货与客户自送货

(一)提货
(1)客户下单,客服引导客户下载入仓单给司机;也可由客服下载后提供给司机(入仓单需一式两份),要求司机在客户处装货后预约入仓时间,并跟进货物入仓情况。
(2)与客户确认提货时间、件数、重量、体积等货物信息。
(3)安排合适的车辆。
(4)告知客户提货司机信息:司机电话、车牌号、预计到达时间。
(5)司机到工厂装货。
(6)运输。
(7)仓库卸货、入库、录数据。
(二)客户自送货
客户提供入仓单给司机(入仓单需一式两份),司机要预约入仓时间,并跟进货物入仓情况。
(四)货物入库

入库检查
(1)清点数量,核对唛头信息与入仓单是否一致。
(2)检查来货包装是否异常,除正常的纸箱外,若有打绷带、打托、塑料袋包装、麻袋包装、木箱包装、玻璃包装、金属包装、混装(单单混、箱规混、唛头混)等情况,则需要反馈给客户并与客户确认处理办法。
(3)验货,如开箱检查品名、品牌、型号、SKU标签、中国制造标签,以及是否带电。
数据录入
件数,尺寸。
输入单号入库,入库时要对应地址,再对应渠道,最后再输入库位。入库票必须一票一票放在同一库位,如遇特殊情况,要分两库位,必须录入实时库位。
仓库将数据录入系统。
异常处理
处理货物无唛头、无SKU和中国制造标签、尺寸重量相差大、数量不齐,货物进仓无信息等异常情况。
记录费用
如贴喷头、SKU及中国制造标签费用等异常费用。
货物退仓

货物退仓可分为以下3种情况:
(1)货物不能出口。
(2)入仓后没仓位,客户不接受,要求退仓。
(3)客户发起退仓申请,客服通知操作,仓库接到指令放货。
(五)数据确认

1.客服操作
客服根据仓库收货数据,核算出计费重,然后将对应订单号、件数、计费重及仓库收货数据截图发送给客户确认。
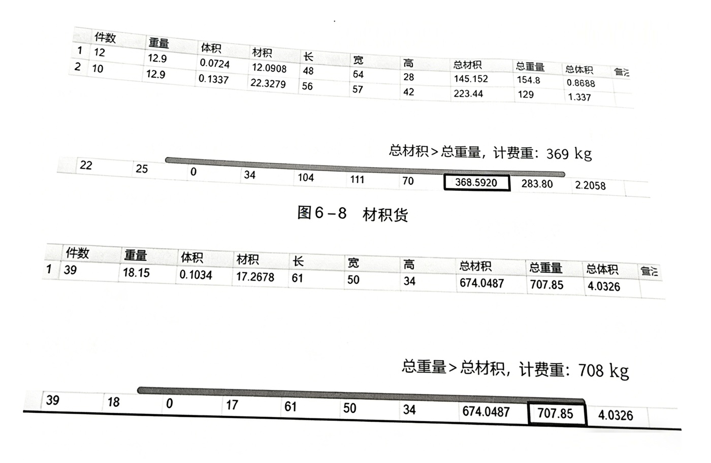
2.计费重核算注意事项
(1)包税渠道的计费重以kg为单位,取实重、材积重中的较大者(外箱尺寸单位为cm)

(2)不包税渠道的计费重以m'为单位,取实重、材积重中的较大者,小于2m'的按2m计费(重量单位为kg,外箱尺寸单位为cm),如图所示: 实重计费重=总实重/363,材积计费重=总材积重/167。

3.分泡计费重计算公式
如果材积重比实重大,就要分泡核算计费重,海派货物按分泡30%分泡(单件不足12kg按122kg算)。计算公式有以下两种:
(1)计费重=(材积重-实重)x70%+实重。)x70%+实重。
(2)计费重=材积重-(材积重-实重)x30%。
例如,若实重为120kg,体积重为200kg,则200kg=(200kg-120kg)*30%=176kg,计费重为176kg。
4.客户对数据有异议时的操作
(1)复测,客服将仓库拍的照片与视频提供给客户复核。
(2)客户复核确认后,反馈仓库处理。
(六)资料审核
(1)发票资料
发票资料必填信息包括FBA箱号、箱数、品名(中文、英文)、品牌、型号、单个产品申报价格(单位:美元)、总申报数量、申报总金额、材质(中文、英文)、用途(中文、英文)、海关编码、亚马逊内部编号。
(2)报关资料
客户单证报关,报关所需资料包括报关单、箱单、发票、合同、申报要素(此项可单独用文件列出,也可以直接显示在报关单上)。
(3)电子委托授权
在得到电子委托文件后才能安排出口报关。客服收到单证资料后,必须尽快提供报关授权抬头和企业编码,让客户登录中国国际贸易单一窗口发起委托并提供操作截图。报关行接收相关文件并确认。
1.发起电子委托必备资料
必备资料为报关抬头企业公司名称和企业代码。
2.操作流程

报关单必填内容
报关单必填内容包括境内发货人抬头、境外收货人抬头、生产销售单位、合同协议号、监管方式、征免性质、贸易国、运抵国、件数、毛重、净重、成交方式、运费、保费、商品编码、中文品名、数量及单位、单价、总价、币种、原产国、最终目的国、境内货源地。
申报要素
1)品牌类型 2)目的国是否享受优惠
3)用途 4)材质 5)品牌 6)其他申报要素
(七)货物状态跟踪

(1)装柜
一般而言,货物人仓后2~3天内安排装柜,根据订舱要求预配船期,可依据系统路由信息【货物已装柜】复核货物是否已顺利装柜。
(2)出口报关
报关分为单证报关(退税报关)和买单报关。有进出口经营权的企业和在中国国际贸易单一窗口签约无纸化报关的公司才可以申请办理退税报关。
货物装柜后,货柜当天交还码头,第2天内必须安排出口报关,正常情况下当天报关放行,向船公司递交放行条,船公司将统一时间安排将货柜装船。
可能会遇到海关通知查验,正常查验时效为2~3天,异常查验时效不定,具体看海关审查情况。若收到报关行查验通知,客服必须第一时间通知客户并附上查验通知单。
(3) 开船
(一)装柜
一般而言,货物人仓后2~3天内安排装柜,根据订舱要求预配船期,可依据系统路由信息【货物已装柜】复核货物是否已顺利装柜。
(二)出口报关
报关分为单证报关(退税报关)和买单报关。有进出口经营权的企业和在中国国际贸易单一窗口签约无纸化报关的公司才可以申请办理退税报关。
货物装柜后,货柜当天交还码头,第2天内必须安排出口报关,正常情况下当天报关放行,向船公司递交放行条,船公司将统一时间安排将货柜装船。
可能会遇到海关通知查验,正常查验时效为2~3天,异常查验时效不定,具体看海关审查情况。若收到报关行查验通知,客服必须第一时间通知客户并附上查验通知单。
根据订舱预配的船期来预计开船时间。可在船公司官网查询核实开船时间,正常在预计开船当天或第2天官网上会更新,超出2天未更新,需与船公司及时确认是否甩柜或延船。遇到甩柜或延船的情况,需附上船公司延船通知告知客户。
在船公司官网查询时看到“截”和“开”。“截”是指截关的时间,“开”是指开船的时间。例如,“一截三开”指周一货物必须通过海关放行,并把放行条交到码头,周三开船;
(4) 货物到港
根据订舱预配的船期来预计到港时间。可在船公司官网查询核实货柜靠岸时间,超出2天未显示靠港时间,需与船公司进行核实目的港码头是否出现塞港或其他异常情况。
(5) 目的港清关及查验
清关和报关都是对进出口的货物进行申报,并且得到海关放行的一种方式。通常将进口称作清关,将出口称作报关。清关查验流程如图:

(6)提柜
(7)派送
(8)签收
货物签收后,卡车司机回传签收单,正常pod应该会显示货物 FBA号和数量。
(八)单证回传:提单,报关凭证(报关单样本,放行通知单样本)
提单在对外贸易中,是指运输部门承运货物时签发给发货人(可以是出口人,也可以是货运代理)的一种凭证。
制作提单资料包括发货人,收货人,通知提货人,货物品名,毛重,体积,目的港,船名航次。

报关单证
货物向海关申报出口放行后,报关行回传报关底单、放行通知书和单。其中,深圳港口起运的才有装船单。
报关单样本

放行通知单

装货单样本

FBA头程操作

关于整柜拼箱的区别
拼箱散货
通过系统受理客服的订单S/O,检查并确认渠道、产品信息、包装、散货交仓地址、件数、毛重、体积、目的地派送地址、单证资料信息、是否包税等信息,统计相应货量。2.整柜
通过系统确认受理客户的订单S/O,确认起运港口、目的港、货物馆息、柜型、装柜地址、装货时间、报关方式和单证资料信息。
注意事项如下:
(1)确认出货抬头信息和收货人资料信息。
(2)整柜注意特殊柜型和特殊单证资料审核(如带电产品、液体危险品等)。
(3)特殊产品类,如玩具、医疗用品、健身用品等,需要特殊的资质和证书。
订舱
1.拼箱散货
在截订单时间后,根据货量跟市场组确认舱位数量和匹配船期,以便安对应装柜时间。
2.整柜
接到订单后向市场组下单,确认匹配船期和对应海运费用,拿到对应船O相关信息。
货物入库和单证交接
拼箱散货,可以通过系统确认客户货物是否准时入库,并核查实际物尺寸和件数,包装是否符合标准,货物的发票和单证报关资料是整,为后面排柜装货环节做好前期准备。
拼箱和整柜排柜配舱
1.散货排柜目标:满柜利润最大化。
2.散货拼箱原则:在截单时间内订舱,截货时间点到仓,保证上柜,保留仓位。
开船提单
(1)船名航次
(2)提单号
(3)承运人名称
(4)发货人
(5)收货人
(6)通知人
(7)装货港、卸货港、转运港
(8)货物的名称、标志、包装、件数、重量、体积
(9)运费的支付条款
(10)提单签发日期、地点、份数、承运人或由其授权人签字或盖章
目的港清关文件(装箱单发票模板)

制作派送计划
亚马逊派送计划根据客户提供的FBA号和id制作。
对于散货拼箱,根据不同的整个柜,亚马逊仓库和其他商业地址,以及柜子的到港时间,制定派送计划表。开船后,该计划表将被发放给美国仓库人员,美国仓库人员做好预约安排。
目的港海关放行与查验
海关放行,即货柜到达目的国之后,在目的港海关需要进行清关操作,海关确认货物没有问题,给予放行。
美国清关行收到清关资料后,一般在货物到港前2~3天向美国海关发送清关信息,等待海关放行。如美国海关通知查验,货物到港后将安排货物送到指定查验场安排查验。
1、美国进口常见的四种查验
- X-RAY EXAM/VACIS EXAM:X光扫描,美国海运专线不拆柜简单查验,违禁品、危险品查验。耗时1天左右。
- CET/NTENSIVE EXAM:升级版的违禁品查验,卸货查看货物与实际申报是否一致。耗时5~6天。
- MET EXAM:拆柜对箱数、品名、产品件数、金额、知识产权等细节的查验。耗时3~5天。
- TAILGATE EXAM:此种查验主要是在集装箱的后方进行查验,主要检查是否存在违规情况。如果当局发现可疑之处,就会下令进行密集检查。耗时3天左右。
以上所说的查验时间不包括集装箱在查验站的等待时间。旺季时,因港口朔挤,待查验的柜子增多,集装箱在查验站排队等待的时间也需要更久。




